!If The Compressor or air dryer or the filters are the first screw compressor / air dryer / filter experience of the user or user has never performed the PM required before, It is a MUST to have the first service of each item to be performed by any local compressor service company. If the first service is performed by the owner who has no previous experience on screw compressor / dryer / filter servicing, the product warranty may be void and additional charges to fix the product may arise.
!Perform any service if;
• Person going to work on the compressor is certified,
• Compressor completely shut down and electrically isolated,
• All compressed air is discharged inside the compressor,
• Compressor is completely isolated from the compressed air system.
- X Series Compressor Star/Delta (3+1 Contactor)
-
- X Series Compressor DOL (1 + 1 Contactor)
-
- X Series Compressor (single phase unit)
-
- X Series Air Tower Star/Delta (3+2 Contactor)
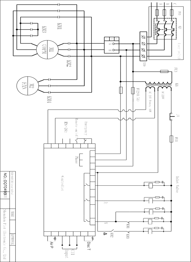
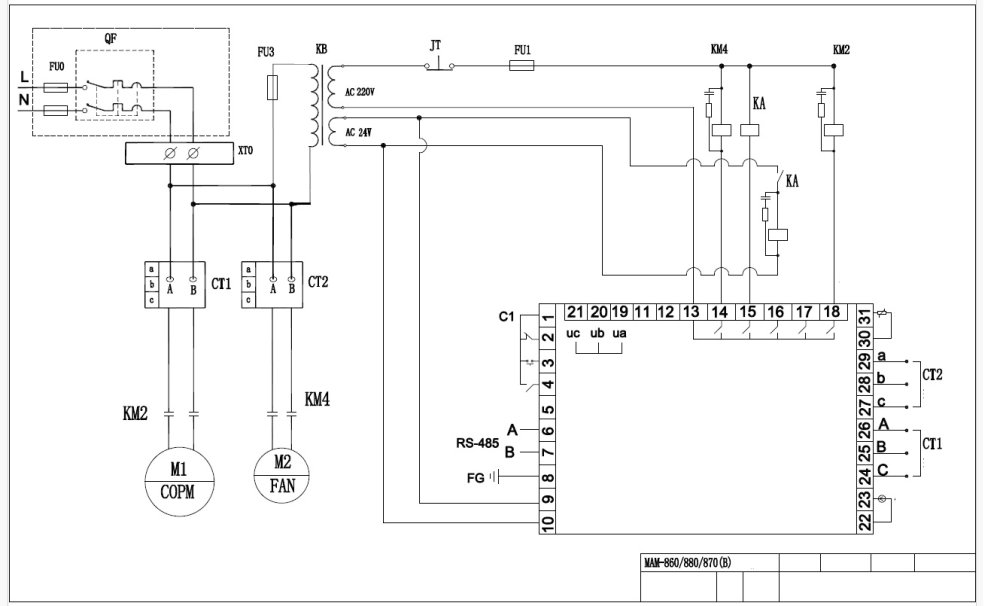
- Main Wiring Diagram
Integrated Air Dryer Wiring Diagram
Last modified:
13 July 2024
Post your comment on this topic.